- 集团网站
- 选择区域/语言
登录
1,全面支持ONVIF 及GB/T28181 标准
2,16路H.265/H.264混合接入实时录像
3,支持HDMI超高清4K显示
4,支持2个HDMI和1个VGA,双屏拼接、扩展
5,支持2个千兆网卡
6,4个通道录像同步回放
7,接入图像质量12MP/8MP/6MP/5MP/3MP/1080P/720P
8,360接入/360M存储/300M转发
9,8个SATA硬盘接口,最大支持6TB硬盘
|
APG-NVR-8816-K-A-L-AF-DVR-Ⅱ-A/0+16-16(A2-2)-D |
||
|
系统 |
主处理器 |
工业级嵌入式微控制器 |
|
操作系统 |
嵌入式LINUX操作系统 |
|
|
系统资源 |
360M接入/360M存储/300M转发 |
|
|
视频参数 |
画面显示 |
1/4/8/9/16/32画面显示(双屏拼接、扩展) |
|
录像图像质量 |
12MP/8MP/6MP/5MP/3MP/1080P/720P/D1/CIF |
|
|
视频压缩标准 |
H.265/H.264/MPEG |
|
|
码流类型 |
限定码流,可变码流 |
|
|
回放图像质量 |
4K/1080P/720P/D1/CIF/QCIF |
|
|
录像管理 |
本地回放 |
支持4路同步回放 |
|
录像查询方式 |
智能时间标签、时间点检索、日历检索、事件检索、通道检索 |
|
|
录像保存 |
本机硬盘/网络 |
|
|
备份方式 |
网络/USB/本机硬盘/eSATA |
|
|
视频 |
视频输入 |
16路H.265/H.264混合接入 |
|
VGA输出 |
1路VGA(最高1080P显示输出) |
|
|
HDMI输出 |
2路HDMI,HDMI1(最高4K显示输出),HDMI2(最高1080P显示输出) |
|
|
音频 |
音频压缩 |
G.711 |
|
音频对讲输入 |
1路BNC |
|
|
音频输出 |
1路BNC |
|
|
外部I/O |
报警输入 |
16路报警输入 |
|
报警输出 |
4路继电器输出(24V DC 2A,120V AC 1A) |
|
|
RS485接口 |
2个RS485 |
|
|
RS232接口 |
1个RS232 |
|
|
USB接口 |
2个USB2.0和1个USB3.0 |
|
|
LED屏 |
支持时间,网络状态,硬盘状态,报警状态等信息提示 |
|
|
面板键盘 |
支持数字/字母输入,录像回放控制,云台控制,功能导航等 |
|
|
硬盘 |
硬盘 |
8块硬盘 |
|
eSATA接口 |
2个 |
|
|
硬盘容量 |
3.5”500/750GB/1TB/2TB/3TB/4TB/6TB
, SATA 磁盘 |
|
|
硬盘安装 |
支持热插拔 |
|
|
网络特性 |
网络键盘 |
支持 |
|
网络接口 |
2个RJ45
10M/100M/1000M自适应以太网口 |
|
|
电气特性 |
电源 |
AC220V |
|
功耗 |
<35W(不含硬盘) |
|
|
物理特性 |
工作温度 |
-10℃~+55℃ |
|
工作湿度 |
10%~90%
RH |
|
|
大气压 |
86kpa~106kpa |
|
|
机箱 |
19英寸标准2U机箱 |
|
|
外型尺寸 |
438(长)x433(宽)x88(高)mm |
|
|
重量 |
6.5kg |
|
|
安装方式 |
机架安装,台式安装 |
|

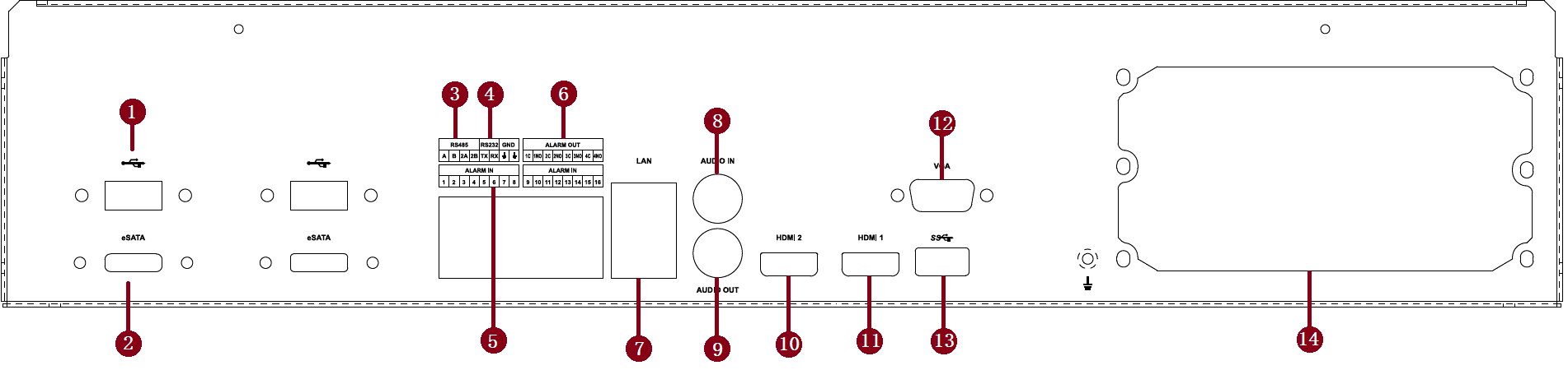
1 –USB接口
2 –eSATA接口
3 –RS485
4 –RS232
5 –报警输入
6 –报警输出
7 –网络接口
8 –音频输入
9 –音频输出
10 –HDMI接口
11 –HDMI接口
12 –VGA接口
13 –USB接口
14 –电源接口